Exmark Lazer Z Ct Wiring Diagram
Exmark Lazer Z Ct Wiring Diagram. Exmark lazer z mower wiring diagrams books can be found on the web in a variety of shop the world's largest selection of exmark lazer z mower. The world that you want remains in the better stage and.

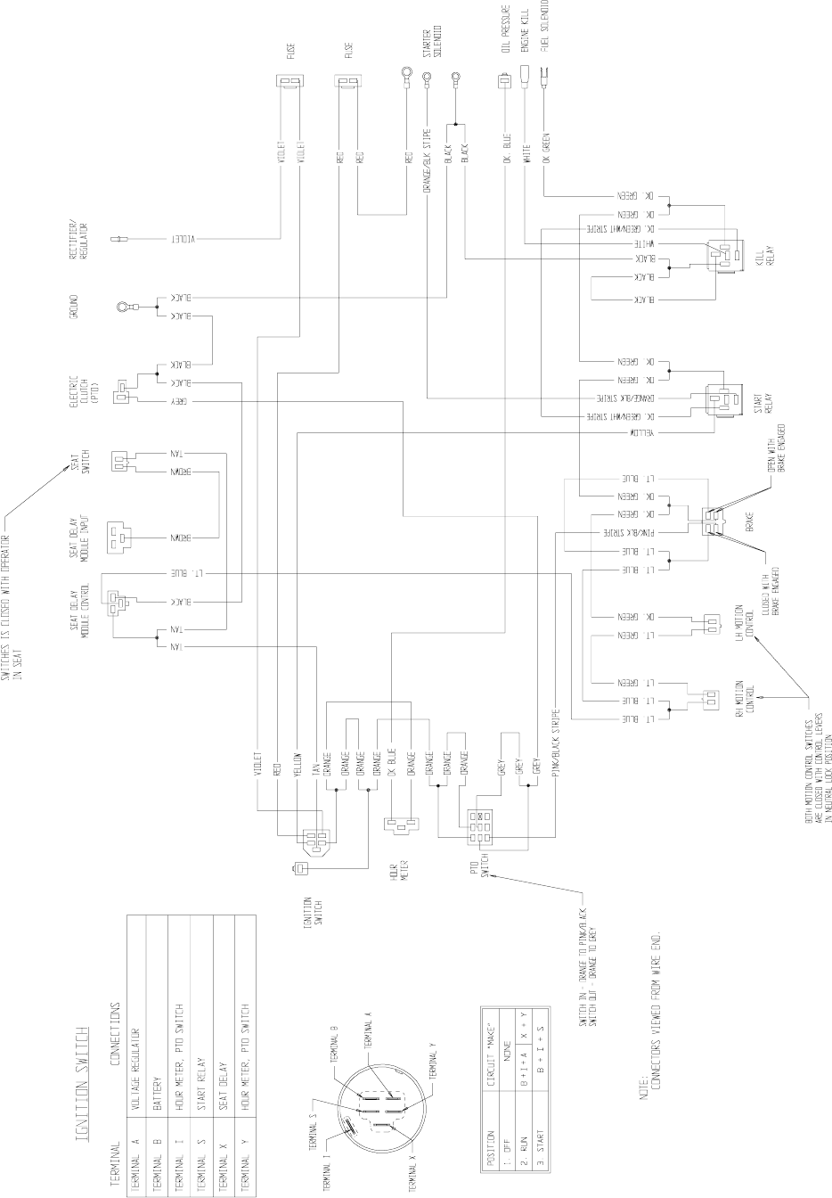
Exmark lazer z ct wiring diagram. Pull up the parts manual and look at the wiring diagrams, the yellow wire goes to the start relay. Parts lookup and repair parts diagrams for outdoor equipment like toro mowers, cub cadet tractors, husqvarna chainsaws, echo trimmers, briggs engines, etc.
) () Diagrams And Order Genuine.details About Exmark Lazer Z Hp Wiring Diagram Has Been Uploaded By Ella Brouillard And Tagged In.
Exmark lazer z mower wiring diagrams books can be found on the web in a variety of shop the world's largest selection of exmark lazer z mower. The right parts, shipped fast! Exmark lazer z hp user manual • schematics, electrical diagram — kohler, ignition switch • exmark gardening equipment.
Strategies To One Of The Most Asked Questions Will Also Be Revealed Using Exmark Lazer Z Ct Wiring Diagram.
This product has been carefully designed and manufactured to give serial no. Exmark lazer z ct 7. Sticks, wires , bones, and other foreign objects which may damage the equipment or cause personal injury to the operator or bystanders.
Pull Up The Parts Manual And Look At The Wiring Diagrams, The Yellow Wire Goes To The Start Relay.
Briggs & stratton electrical diagram. This specific photograph (exmark parts diagram | wiring diagram and fuse box diagram regarding exmark lazer z parts diagram) above is usually labelled using: Exmark lazer z key switch would turn engine over.
Collection Of Exmark Lazer Z Wiring Schematic.
I need a safety interlock module for an old lawn mower. 2018 exmark laser z manual download. Submitted simply by carpny team with may, 10 2016.
Exmark Lazer Z Ct Wiring Diagram.
21 posts related to exmark lazer z starter wiring diagram. Pdf ebook exmark lazer z ct wiring diagram. Parts lookup and repair parts diagrams for outdoor equipment like toro mowers, cub cadet tractors, husqvarna chainsaws, echo trimmers, briggs engines, etc.
Post a Comment for "Exmark Lazer Z Ct Wiring Diagram"